TOP › 高性能樹脂サッシ
本物だけが持つ確かな性能が、
更に進化しました。
シューコー社の高性能樹脂サッシをご覧ください。
外気や騒音に悩まされることのない上質な室内空間をつくるには、まず、高い性能を持った本物を選ぶことが重要です。
ヨーロッパで生まれた内開き・内倒し兼用窓であるドリーキップサッシ。その中でも世界最高峰のシューコー社が開発したCT70は、枠見込みを70mmとし型材内のホロウを5層構造にすることでさらに断熱性能が向上。その驚くべき数値は1.3W/m²Kを実現しました。過去十数年で多くの実績と信頼をいただいたAS60タイプから進化したCorona CT 70/S 74。世界が認めるシューコー社の製品は、あなたの選択によって末永い快適性を約束してくれます。
※日本仕様の製品は前橋工場で製造しています。
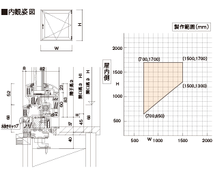
理想の窓を実現するためにさまざまなニーズに対応しています。もちろん、どのようなタイプの窓になっても、その高い性能は約束されています。快適を妨げる外的要因をしっかりと遮断します。
外観デザインへのこだわりにも対応する豊富なカラーバリエーション。建物の価値とオーナーの満足を高めます。



世界最高峰の技術を誇るシステムメーカーであるシューコー社だけのオリジナルシステム金具。特筆すべきはどんなに小さな金具でも、すべての金具にシューコー社のロゴが刻印されていること。型材のみならず小さな部品の一つまで、こだわりと自信を持ってご提供いたします。
高い性能が実証された防火戸が、
先進の安心と安全をご提供します。
各建材に防耐火性能の正当性能が求められている中、
平成22年以降は厳格な試験方法が義務付けされております。
この度、弊社ライリイ・カンパニーにて
製造・販売をしておりますシューコーシステム樹脂サッシにて、
その厳格な防耐火試験に合格し防火認定を取得いたしました。
ライリイ・カンパニーのシューコーシステム樹脂サッシ防火認定内容の特徴
樹脂サッシ最大の特徴である断熱性能を最大限に保持する為、
非防火品に対しステンレス・スチール・アルミ等の金属での補強を最小限に抑制しております。
(防火仕様として金属で火炎に対する補強をした場合、型材の断熱性能が落ちるとされております)

Corona CT70シリーズは防火設備認定試験に合格。
防火性とは建築物の火災に対する安全性のレベルを表す性能です。建築基準法、建築基準法施行令、建設省告示等で詳細に規制されています。中でも耐火建築物、準耐火建築物や防火地域または準防火地域にある建築物の外壁で、延焼のおそれのある部分の開口部については、炎を遮り延焼を防止するために「防火設備」(防火戸)の使用が義務づけられています。コロナ CT70シリーズは、万一の火災時でも延焼のおそれを防止できます。

防火設備認定について
防火設備認定窓とは
建築基準法第68条の26第1項(同法第88条第1項において準用する場合を含む。)の規定に基づき、 同法第2条第九号の二ロ及び同法施行令第109条の2(20分間の遮炎性能を有する防火設備)の規定に適合するものであること。

認定機種一覧
| ドリーキップ窓 | FIX窓 | 引違い窓 |
| 認定番号 EB-0559 |
認定番号 EB-0561 |
認定番号 EB-0593 |
| 複層ガラス入硬質塩化ビニル樹脂製内開き・内倒し窓 | 複層ガラス入硬質塩化ビニル樹脂製はめ殺し窓 | 複層ガラス入硬質塩化ビニル樹脂製引違い窓 |
| CT 70 | 内開き内倒し窓(DK) 内倒し内開き窓(KD) |
| 認定番号 | EB-0559 |
| DK・KD窓 複層ガラス厚 (25.3〜36mm) | ||
| 外部ガラス | 空気層 | 内部ガラス |
| 網入り磨き (菱またはクロス) 6.8・10mm |
乾燥空気(アルゴン,クリプトンガス可)12〜16mm | 12〜16mm 6.5・8・ 10・12mm |
| CT 70 | はめ殺し窓 |
| 認定番号 | EB-0561 |
| FIX窓 複層ガラス厚 (25.3〜32mm) | ||
| 外部ガラス | 空気層 | 内部ガラス |
| 網入り磨き (菱またはクロス) 6.8・10mm |
乾燥空気(アルゴン, クリプトンガス可)12〜16mm | 耐熱強化 6.5・8・ 10・12mm |
| S 74 | 引違い窓 |
| 認定番号 | EB-0593 |
| 引き違い窓 複層ガラス厚 (17.8〜22.5mm) | ||
| 外部ガラス | 空気層 | 内部ガラス |
| 網入り磨き (菱またはクロス) 6.8・10mm |
乾燥空気(アルゴン, クリプトンガス可)6〜10mm | 耐熱強化 5・6.5・8mm |



